FX5U PLC应用技术项目教程王烈准,江玉才主编课后习题答案解析

2024年08月28日 15:02
746浏览
FX5U PLC应用技术项目教程
FX5U PLC应用技术项目教程
主 编: 王烈准,江玉才主编
ISBN: 9787111738336
出版社: 机械工业出版社
上传者: (_灬全餹
大家好,我是一名即将毕业的大学生,最近我在学习《FX5U PLC应用技术项目教程》这本大学教材,这本书主要介绍了三菱FX5U PLC的基本原理和实际应用,对我未来的职业生涯非常有帮助。但是,我发现自己在学习过程中遇到了一些困难,需要向大家求助。
首先,我需要一些关于这本书的学习资料。我尝试了在网上查找相关课程和练习题,但是信息量太大,很难找到适合自己的学习资料。如果有哪位同学有相关的学习资料,希望能够分享给我。
其次,我希望能够了解到一些有效的学习方法。这本书的内容比较抽象,需要深入理解才能在实际工作中应用。因此,我希望能够找到一些行之有效的学习方法,帮助我更好地掌握这本书的知识。
详情资料
FX5U PLC应用技术项目教程
FX5U PLC应用技术项目教程
FX5U PLC应用技术项目教程
FX5U PLC应用技术项目教程
FX5U PLC应用技术项目教程
FX5U PLC应用技术项目教程
为了给您更好的查看体验,请下载资小料APP免费查看余下资料
更新于 2024年08月28日 15:02
本书资料由用户(_灬全餹上传,如有侵权请联系平台客服删除。
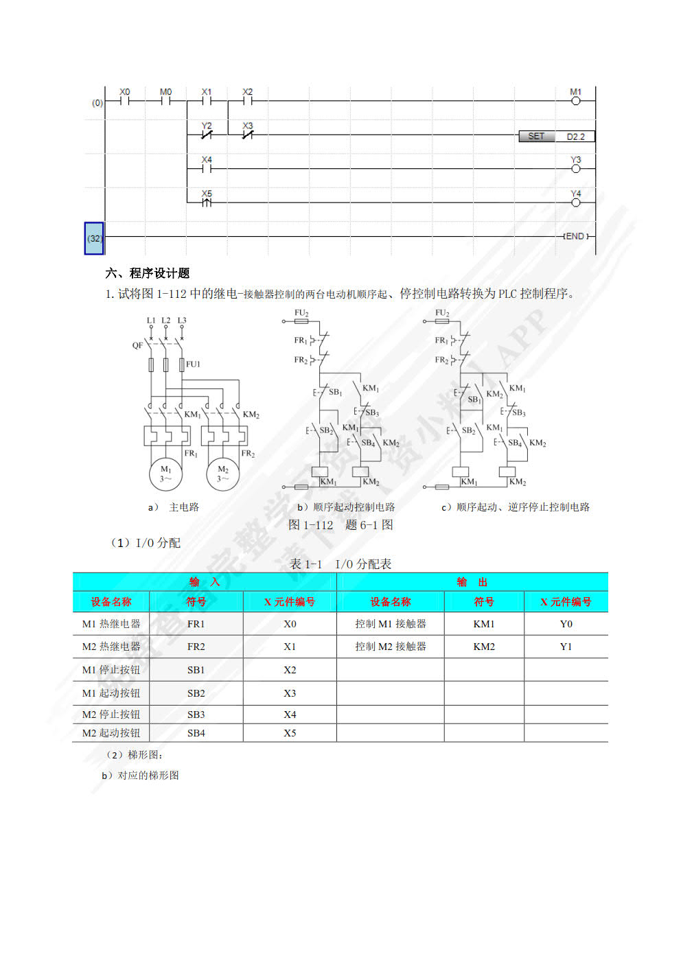
相似资料推荐